長野市街地を見渡す眺望に魅せられて、この崖地にお住まいを計画されたI様邸。
建築確認の申請が必要となる高さ5mの土留め擁壁の段階から外構工事に携わらさせていただきました。
【Before】

【after】


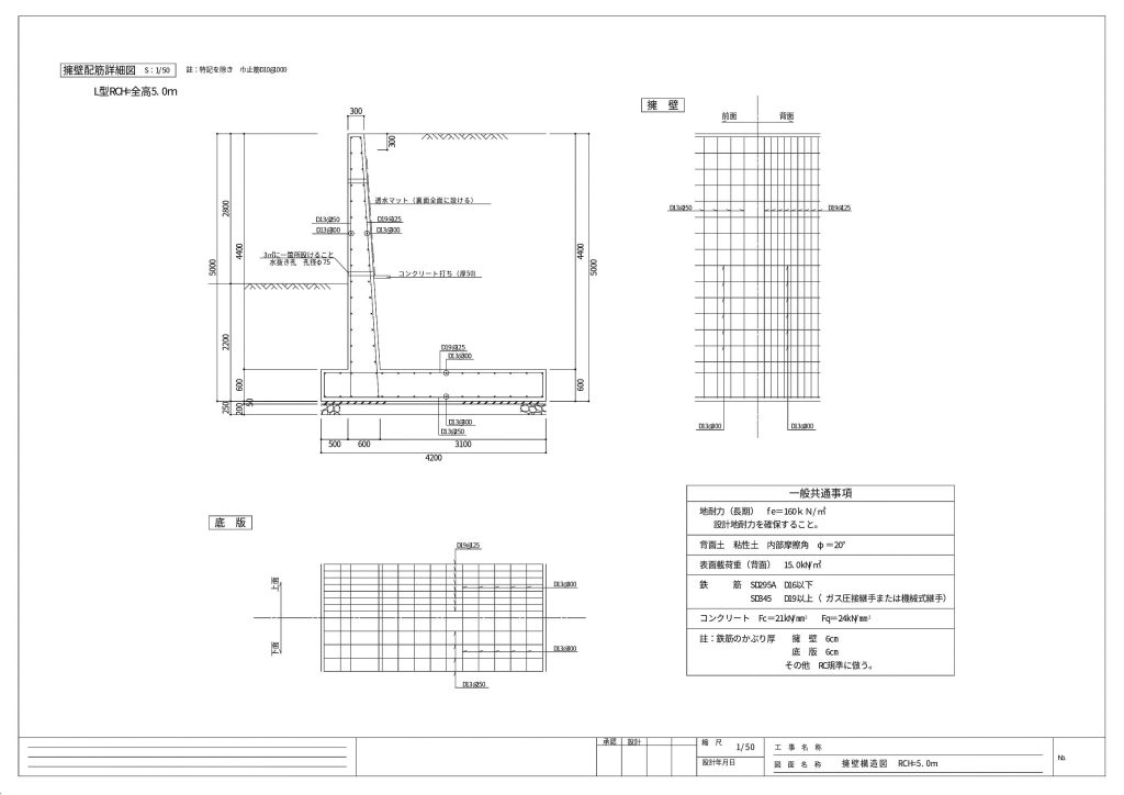
【建築確認申請】
高さ2mを超える擁壁(土留め壁)は、建築基準法上の「工作物」に該当し、建築確認申請が必要になります。
また雲上殿付近は地すべり防止区域に指定されているため、長野県知事の許可も必要となります。

構造物の全体の高さが5m、側壁の天端幅が300㎜、底版の厚みは600㎜にもなる構造体になりました。
また、この側壁の上に家の基礎が直接載る形になります。
【Before】

長野市街地を見渡す崖地からのすばらしい眺望。
周囲の樹木から季節を感じ、水平線に見える雄大な山々に気持ちが癒されました。
【after】

【Before】


【after】


お車の転落防止に腰高までRC擁壁にて周囲を囲い、眺望を遮ることのなくリズム感と抜け感をつくるアイキャッチとしての存在感も感じさせるフレームフェンスを立てました。


直線基調で凹凸のないノイズレスな構造が上品で美しいカーポートSC。モダンなファサードにアプローチをスタイリッシュに演出します。


門塀はコンクリート打ち放し(RC造)、シンプルながらも崖地に建つ揺るぎなく屈強なイメージを表現しました。

すばらしい眺望に魅せられて崖地にお住まいを計画されたI様に、どこか自分の憧れのような思いも抱きながら、また完成までの険しい道のりにどこかワクワクした気持ちを感じておりました。
この度は長期にわたりI様邸の建築工事に携わらせていただき、本当にありがとうございました!
